LillyAllenDesigns
Jasminsmagicworld
BarkalooDesign
Artiststas
AdoDesignShop
JahusDesignShop
BundleAndBundleShop
HRA Design Shop
FaDigitalArtStudio
Enoddigitalart@gmail.com
Afrowomandigitalshop@gmail.com
OliviaCreatesArt
CowGirlArtShop
HowdyJamesFarm
TumblerDesignByShophia
RanaPortraitStore
CTS Tumbler Store
Zillion Design Studio
NancyCooperArtShop
Texasbilliewilder
MaliasSmallBusiness
Muks_Shop
Rvexell
NReaL
Oittostudio
Nteklah
Melllux
PUBLICTEES
Gear_desain
Erdiyan
C
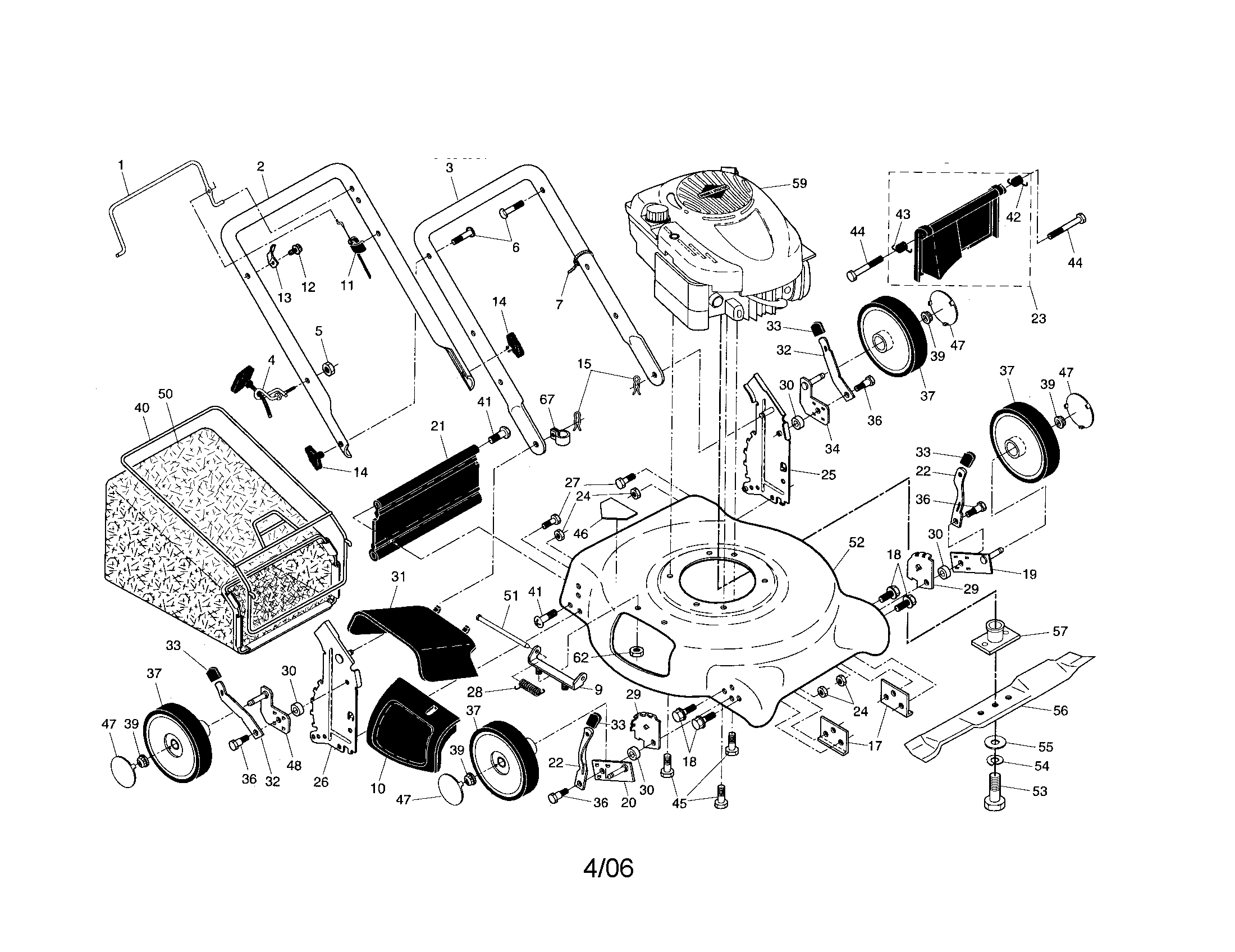
Official Craftsman 917388360 gas lawn mower parts Sears PartsDirect Very well made.
Official Craftsman 917388952 gas lawn mower parts Sears PartsDirect Very well made.
Craftsman Walk Behind Mower 917.388930 iFixit Very well made.
Craftsman 917388191 Lawn Mower eReplacementParts Very well made.
Official Craftsman 917388721 gas lawn mower parts Sears PartsDirect Very well made.